1769-SM2模块Modbus RTU通讯快速使用手册
1. 概述
1769-SM2模块是一个DSI/Modbus通信模块,用于连接PowerFlex 4-Class变频器。它支持单站点和多站点模式,需与MicroLogix 1500、CompactLogix或远程1769基适配器(如1769-ADN)配合使用。
模块包含3个RJ45形式的串口,每个串口最多连5个变频器(DSI)或者最多31个Modbus RTU从站
1.1DSI通讯
1769-SM2模块与Allen-Bradley PowerFlex 4-Class(组件级)驱动器和支持DSI的其他产品兼容。
在发布时,兼容产品包括:
•PowerFlex 4驱动器
•PowerFlex 4M驱动器
•PowerFlex 40驱动器
•PowerFlex 40P驱动器
•PowerFlex 400驱动器
1.2 Modbus RTU通讯
当1769-SM2在多驱动器中用作Modbus RTU主站(如带有20-COMM-H RS485 HVAC适配器的PowerFlex 7系列驱动器),也可以连接其他Modbus RTU从站设备。本文讨论如何使用1769-SM2模块实现Modbus RTU主站通讯。
2. 组件
1769-SM2模块
电缆线(22-RJ45CBL-C20)或终端块连接器(AK-U0-RJ45-TB2P)
配置工具(如DriveExplorer/DriveExecutive 以及 RSLogix 500/5000)
3. 安装步骤
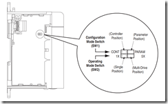
3.1硬件拨码
设置配置模式开关根据需求设置配置模式开关(SW1),选择“CONT”(控制器)或“PARAM”(参数)模式。
本例选用CONT——1769-SM2模块在通电时和控制器处于运行模式时使用从控制器下载的配置数据。
设置操作模式开关根据需求设置操作模式开关(SW2),选择“1X”(单模)或“5X”(多驱动模式)。
本例选用5X——多站点模式
3.2接线
1769-SM2每个通道都有一个集成终端电阻器。因此,只需在每个通道的最后一个驱动器处将端接电阻器连接到RJ45接线板。
由于CH1~CH3的接口是RJ45,推荐使用AK-U0-RJ45-TB2P接线端子连接器,或者使用专用电缆,PIN4为B(+),PIN5为A(-)。
确保模块接地良好。
3.3安装
将模块连接到控制器总线上,确保模块间连接牢固。
4. 配置模块
4.1 创建模块
添加模块,在选择界面选中1769-MODULE,并点击创建。
根据需要将通信格式更改为“数据-INT”,允许输入输出连接参数(不再显示为灰色)。修改1769-SM2的插槽位置。输入所需的输入和输出字长和配置数据大小。
由于我们使用多站点模式且使用3个通道,所以输入输出都为31,配置数据为42。
4.2配置模块
配置数据标签Local:1:C.Data[0]…Local:1:C.Data[197],只用到前42个标签
根据下面的表格进行设置,对应标签为 LOCAL:1:C.Data 的 0 到 41。设置完成后,模块需要重启。
| 参数名 | CH1 | CH2 | CH3 |
| 空闲动作 | Word 0 | Word 14 | Word 28 |
| FIt Cfg逻辑 | Word 1 | Word 15 | Word 29 |
| FIt Cfg参考 | Word 2 | Word 16 | Word 30 |
| DSI输入/输出控制 | Word 3 | Word 17 | Word 31 |
| 驱动器0地址 | Word 4 | Word 18 | Word 32 |
| 驱动器1地址 | Word 5 | Word 19 | Word 33 |
| 驱动器2地址 | Word 6 | Word 20 | Word 34 |
| 驱动器3地址 | Word 7 | Word 21 | Word 35 |
| 驱动器4地址 | Word 8 | Word 22 | Word 36 |
| RTU波特率 | Word 9 | Word 23 | Word 37 |
| RTU格式 | Word 10 | Word 24 | Word 38 |
| RTU Rx延迟 | Word 11 | Word 25 | Word 39 |
| RTU Tx延迟 | Word 12 | Word 26 | Word 40 |
| RTU消息超时 | Word 13 | Word 27 | Word 41 |
4.2.1 DSI输入/输出控制
| 值 | 描述 | SW2的位置 | |
| 单站点 | 多站点 | ||
| 0 | Drive 0 (Default) | √ | √ |
| 1 | Drives 0…1 | 不适用 | √ |
| 2 | Drives 0…2 | 不适用 | √ |
| 3 | Drives 0…3 | 不适用 | √ |
| 4 | Drives 0…4 | 不适用 | √ |
| 5 | RTU Master | 不适用 | √ |
LOCAL:1:C.Data[3]设置为 5 表示CH1为 Modbus RTU 通讯
4.2.2 RTU波特率
| 值 | 波特率 |
| 0 | 38.4K bits/sec (default) |
| 1 | 19200 bits/sec |
| 2 | 9600 bits/sec |
| 3 | 4800 bits/sec |
| 4 | 2400 bits/sec |
| 5 | 1200 bits/sec |
| 6 | 600 bits/sec |
| 7 | 300 bits/sec |
LOCAL:1:C.Data[9]设置为 2 表示CH1的通讯波特率为 9600
4.2.3 RTU格式
| 值 | 格式 |
| 0 | 8-N-1 (default) |
| 1 | 8-E-1 |
| 2 | 8-O-1 |
| 3 | 8-N-2 |
| 4 | 8-E-2 |
| 5 | 8-O-2 |
LOCAL:1:C.Data[10]设置为 0 表示 CH1的通讯格式为8-N-1
4.2.4 RTU Rx延迟
相应通道检测到发送数据包结束的字符间延迟时间。
| 值 | |
| 默认 | 0毫秒 |
| 最小 | 0毫秒 |
| 最大 | 500毫秒 |
保持默认即可
4.2.5 RTU Tx延迟
设置相应通道检测到接收数据包结束的字符间延迟时间。
| 值 | |
| 默认 | 0毫秒 |
| 最小 | 0毫秒 |
| 最大 | 500毫秒 |
保持默认即可
4.2.6 RTU消息超时
设置相应通道发送数据包的帧间延迟时间。
| 值 | |
| 默认 | 2秒 |
| 最小 | 0秒 |
| 最大 | 60秒 |
保持默认即可
4.3 编写程序
4.3.1激活通道
| Bit # | 名称 | 描述 |
| 0 | Channel 1 Enable | “0”=禁用向相应通道的驱动器发送输出数据(逻辑命令/参考)。所有输入(逻辑状态/反馈)数据均为零(“0”),表示数据不再更新。 “1”=允许将输出数据(逻辑命令/参考)发送到相应通道的驱动器。所有相应的输入数据也将被更新。 |
| 1 | Channel 2 Enable | |
| 2 | Channel 3 Enable | |
| 3…15 | Not used | 暂未使用. |
当模块配置为多驱动模式下的Modbus RTU主站操作时,不使用通道的启用位。
4.3.2 数据格式
支持的功能码
| 功能码 | 名称 | 最大的数据长度 |
| 01 | Read Coils | 512 |
| 02 | Read Discrete Inputs | 512 |
| 03 | Read Holding Registers | 32 |
| 04 | Read Input Registers | 32 |
| 05 | Write Single Coil | n/a |
| 06 | Write Single Register | n/a |
| 15 | Write Multiple Coils | 512 |
| 16 | Write Multiple Registers | 512 |
命令数据格式
| 数据序号 | 名称 | 描述 |
| 1 | RTU从站地址 | Modbus RTU从站的节点地址。 |
| 2 | 功能码 | 要执行的Modbus功能代码。 |
| 3 | 起始地址 | 从站中的起始线圈/寄存器地址。 |
| 4 | 数据长度 | 要读/写的线圈/寄存器的数量。 |
| 5+ | 数据 | 仅用于写入消息,并包含要写入的数据。 |
响应数据格式
| 数据序号 | 名称 | 描述 |
| 1+ | 数据 | 仅用于读取消息,并包含读取的数据。 |
4.3.3 写命令示例
创建两个标签
msg指令如下
路径的“My_SM2,2,3”中间的2为固定用法,3表示第三个通道。
在此示例中,逻辑命令和标记将会写入从站。CH3_MSG1_REQ数组(14个字节=7个字)包含命令数据,其中:
| 数据 | 示例值 | 描述 |
| CH3_MSG1_REQ [0] | 15 | 从站地址 |
| CH3_MSG1_REQ [1] | 16 | 功能码– 写多个寄存器 |
| CH3_MSG1_REQ [2] | 0 | 起始寄存器地址(40001) |
| CH3_MSG1_REQ [3] | 3 | 写入的寄存器数量 |
| CH3_MSG1_REQ [4] | 18 | 40001的值 |
| CH3_MSG1_REQ [5] | 0 | 40002的值 |
| CH3_MSG1_REQ [6] | 8192 | 40003的值 |
写入消息用不到Destination元素,因为没有返回数据。
4.3.4 读命令示例
创建两个标签
msg指令如下
在此示例中,从从站读取逻辑状态和反馈。CH3_MSG2_REQ数组(8个字节=4个字)包含命令数据,其中:
| 数据 | 示例值 | 描述 |
| CH3_MSG2_REQ [0] | 15 | 从站地址 |
| CH3_MSG2_REQ [1] | 4 | 功能码– 读输入寄存器 |
| CH3_MSG2_REQ [2] | 0 | 起始寄存器地址(30001) |
| CH3_MSG2_REQ [3] | 3 | 读取的寄存器数量 |
CH3_MSG2_RESP数组包含响应数据,其中:
| 数据 | 示例值 | 描述 |
| CH3_MSG2_RESP [0] | 3855 | 30001的值 |
| CH3_MSG2_RESP [1] | 0 | 30002的值 |
| CH3_MSG2_RESP [2] | 8192 | 30003的值 |
5. 调试
查看启动状态指示灯检查模块的MODULE、CH1、CH2和CH3状态指示灯,确保模块正常工作。
| 项 | 指示 | 状态 | 描述 |
| ➊ | MODULE | 绿色 | 正常运行。该模块已与控制器建立通信。 |
| 绿色闪烁 | 该模块正在与控制器建立通信。 | ||
| ➋ | CH1 | 绿色 | 正常运行。CH1正在运行,并在控制器和从站之间传输I/O数据。 |
| 绿色闪烁 | 正常运行。CH1正在运行,但没有在控制器和从站之间传输I/O数据。 | ||
| ➌ | CH2 | 绿色 | 正常运行。CH2正在运行,并在控制器和从站之间传输I/O数据。 |
| 绿色闪烁 | 正常运行。CH2正在运行,但没有在控制器和从站之间传输I/O数据。 | ||
| ➍ | CH3 | 绿色 | 正常运行。CH3正在运行,并在控制器和从站之间传输I/O数据。 |
| 绿色闪烁 | 正常运行。CH3正在运行,但没有在控制器和从站之间传输I/O数据。 |